PRODUCT

产品列表

INTRODUCTION

企业简介

湖北中元电器有限公司成立于2013年09月04日,注册地位于鄂州市葛店开发区上八号工业区,法定代表人为芦忆敏。经营范围包括一般项目:配电开关控制设备制造;电力设施器材制造;输配电及控制设备制造;电器辅件制造;电工器材制造;电工仪器仪表制造;五金产品制造;变压器、整流器和电感器制造;工业自动控制系统装置制造;电子元器件与机电组件设备制造;电线、电缆经营;五金产品批发;照明器具销售(除许可业务外,可自主依法经营法律法规非禁止或限制的项目)湖北中元电器有限公司对外投资1家公司。

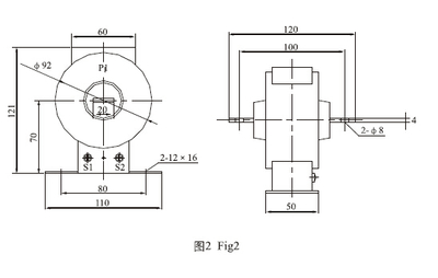
潜水泵电工图纸

Information

企业信息

公司名称:湖北中元电器有限公司

法人代表:芦忆敏

注册地址:

所属行业:电气机械和器材制造业

更多行业:电力电子元器件制造,输配电及控制设备制造,电气机械和器材制造业,制造业

经营范围:一般项目:配电开关控制设备制造;电力设施器材制造;输配电及控制设备制造;电器辅件制造;电工器材制造;电工仪器仪表制造;五金产品制造;变压器、整流器和电感器制造;工业自动控制系统装置制造;电子元器件与机电组件设备制造;电线、电缆经营;五金产品批发;照明器具销售(除许可业务外,可自主依法经营法律法规非禁止或限制的项目)

Contact

联系我们

电话:-

网址:www.zgzydq.com

地址:

MESSAGE

在线留言